В России начали испытания вакцины против COVID-19
В России для профилактики и контроля эпидемии COVID-19 в ГНЦ ВБ "Вектор" Роспотребнадзора в самые сжатые сроки разработаны прототипы вакцин, основанные на шести различных технологических платформах.
Ассоциация государственных научных центров "НАУКА"
В России для профилактики и контроля эпидемии COVID-19 в ГНЦ ВБ "Вектор" Роспотребнадзора в самые сжатые сроки разработаны прототипы вакцин, основанные на шести различных технологических платформах.
Издания были закуплены в рамках проводимой институтом благотворительной акции.
К участникам метрологического образовательного кластера присоединилась средняя общеобразовательная школа № 237 Красносельского района Санкт-Петербурга.
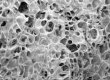
Ученые НИЦ "Курчатовский институт" совместно с МИРЭА – Российский технологический университет создали новый гидрогель на основе биосовместимого полимера и наночастиц диоксида титана.
В отчете говорится, что действующая система льгот в целях стимулирования научной и научно-технической деятельности и использования ее результатов не достигает своей цели.
Проведение VI Международной конференции «Аддитивные технологии: настоящее и будущее» переносится на октябрь 2020 года.
Двухдневный семинар состоялся в начале марта в Технопарке ЦАГИ.
Ежегодные дебаты «Атомная энергетика «За» и «Против» между учащимися школ города прошли 13 марта на центральном пульте управления Первой в мире АЭС.
На сегодня выполнена и подготовлена к испытаниям усовершенствованная аэродинамическая модель воздушного судна.
Центр Келдыша вошел в состав отраслевого Совета молодых ученых и специалистов при генеральном директоре Госкорпорации «Роскосмос».
По специализации «Наука» на конкурс поступило более 22 тысяч заявок из всех регионов России, к очному этапу были приглашены 333 участника.
Новая технология позволила продлить срок службы реакторной установки Балаковской АЭС более чем на 23 года.
В Институте медико-биологических проблем РАН (ИМБП РАН) проводится эксперимент по имитации невесомости при помощи так называемых «сухих ванн» (или сухой иммерсии) с использованием центрифуги короткого радиуса действия.